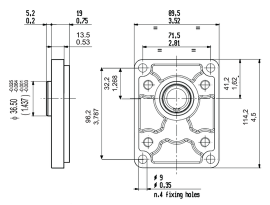
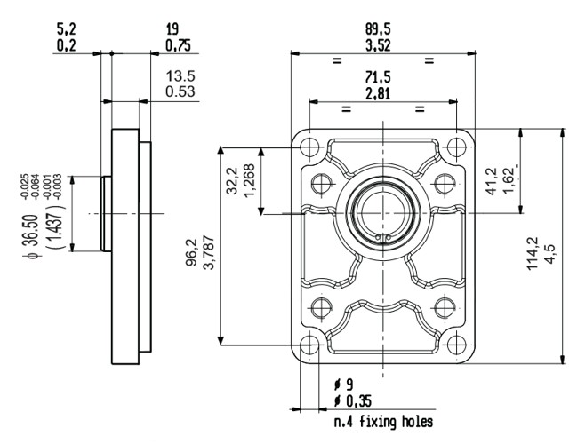
Aluminum gear pump, group 2, 2PE11.3D(S)28P1, European type
e-mailagro@hewea.com
Aluminum gear pump, group 2, 2PE11.3D(S)28P1, European type
- Aluminum gear pump for industrial and agricultural applications from Italian company Salami.
Subscription products in your shopping cart
Set one delivery frequency for all subscription products in your cart every:
Subscription products in your shopping cart
Salami aluminum gear pump group 2 with working volume 11.5 - direction of rotation clockwise or counterclockwise (optional) with European and conical flange 1:8 shaft: 2PE11.3D(S)28P1
BASIC DATA
| Geometric working volume | 11.5 cm3/rev. |
| Maximum working pressure |
250 bar |
| Instantaneous working pressure |
280 bar |
| Direction of rotation¹ | clockwise or counter-clockwise |
| Maximum speed (continuous) | 3500 rpm |
| Minimum speed |
500 rpm |
| Shaft drive | 1:8 taper, M12 x 1.25 |
| Mounting flange | european 71.5 x 96.2 mm |
| Typical applications | industry, agriculture |
| Country of origin | Italy |
| Manufacturer's website | www.salami.it |
SUPPLEMENTARY INFORMATION
| Own weight | 2.3 kg |
| Temperafront loader oil operation (permissible range) | -20÷85° C |
| Recommended oil viscosity² | 17÷65 cSt |
| Axial length after installation | 101.6 mm |
| Cross section | 105x88 mm |
| Connections | 3/4 and 1/2 threaded |
- The direction of rotation is determined by looking at the pump from shaft. Right-hand direction - clockwise, left-hand direction- counterclockwise. Running the pump with the wrong direction of rotation can cause damage to the pump.
- The pump is not suitable for use with oil-in-water emulsions (HFA, HFB, HFC) and synthetic non-oil hydraulic fluids (HFD) - according to the 5th Report of the European Commission for Mining Safety.
Note: The technical and operational parameters of the product given above are for information purposes. The owner and administrator of the online store hydromech.eu are not responsible for their compliance with the parameters of the product supplied by the manufacturer. The source data are provided in the manufacturer's brochure, which can be downloaded from the "Download" tab (below).
Ask a question
If this description is not sufficient, please send us a question to this product. We will reply as soon as possible.
Data is processed in accordance with the privacy policy. By submitting data, you accept privacy policy provisions.
Write your opinion
Your opinion:
Add your own product photo:




