Przystawka odbioru mocy PTO P1802P20294 IVECO, ZF
- Przystawka odbioru mocy do skrzyni Iveco, ZF PTO:
- Pasuje do skrzyń: 2845.5 ; 2845.6 ; 2855.5 ; 2855.6 ; 2855S.6 ; 2865.6 ; 2865S.6 ; 2870.9 ; 2870S.9 ; 2895.9 (NEW) ; 2895.9 (OLD) ; DA 11/02/98 ; FINO 11/02/98
Subscription products in your shopping cart
Set one delivery frequency for all subscription products in your cart every:
Subscription products in your shopping cart
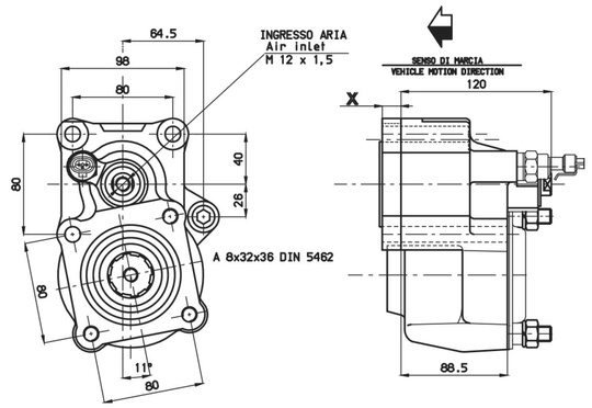
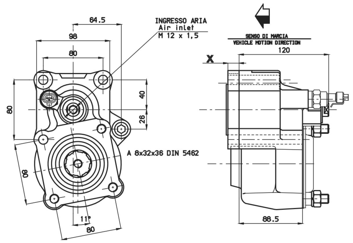
Przystawka Odbioru Mocy P1802P20294 (PTO) - Zadaniem przystawki Odbioru Mocy (Power Take Off) jest umożliwienie przeniesienia napędu ze skrzyni biegów na urządzenie odbiorcze np.: pompę hydrauliczną, kompresor, itp.
Do przystawki należy dobrać zestaw montażowy.
Możliwe jest również dobranie pompy.
Przystawka do skrzyni biegów IVECO, ZF:
DANE
Pasuje do skrzyń:
2845.5 ; 2845.6 ; 2855.5 ; 2855.6 ; 2855S.6 ; 2865.6 ; 2865S.6 ; 2870.9 ; 2870S.9 ; 2895.9 (NEW) ; 2895.9 (OLD) ; DA 11/02/98 ; FINO11/02/98
Uwaga: Podane powyżej parametry techniczno-ruchowe produktu mają wyłącznie charakter informacyjny. Właściciel i administrator sklepu internetowego hydromech.eu nie ponoszą odpowiedzialności za ich zgodność z parametrami produktu dostarczanego przez producenta. Dane źródłowe zostały zamieszczone w broszurze producenta, którą można pobrać z zakładki "Do pobrania" (poniżej).




