Pompa zębata aluminiowa, grupa 3, 3PE46D(S)38P2 typ europejski
- Pompa zębata aluminiowa do zastosowań w przemyśle i rolnictwie od włoskiej firmy Salami.
Produkty subskrypcyjne w twoim koszyku
Ustaw jedną częstotliwość dostaw dla wszystkich produktów subskrypcyjnych z twojego koszyka co:
Produkty subskrypcyjne w twoim koszyku
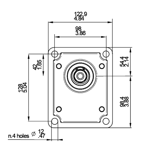
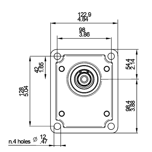
Pompa zębata aluminiowa Salami grupa 3 o objętości roboczej 46.9 - kierunek obrotów prawo lub lewo skrętny (do wyboru) z kołnierzem europejskim i stożkowym (1:8) czopem wału: 3PE46D(S)38P2
DANE PODSTAWOWE
| Geometryczna objętość robocza | 46,9 cm3/obr. |
| Maksymalne ciśnienie pracy |
250 bar |
| Chwilowe ciśnienie pracy |
270 bar |
| Kierunek obrotów¹ | prawo lub lewo skrętny |
| Maksymalna prędkość obrotowa (ciągła) | 2750 obr./min |
| Minimalna prędkość obrotowa |
500 obr./min |
| Czop wału napędowego | stożek 1:8, M14 x 1,5 |
| Kołnierz montażowy | europejski 98 x 128 mm |
| Typowe zastosowanie | przemysł, rolnictwo |
| Kraj pochodzenia | Włochy |
| Strona internetowa producenta | www.salami.it |
INFORMACJE UZUPEŁNIAJĄCE
| Masa własna | 10,1 kg |
| Temperatura pracy oleju (zakres dopuszczalny) | -15÷85° C |
| Zalecana lepkość oleju² | 17÷65 cSt |
| Długość osiowa po zamontowaniu | 158,50 mm |
| Przekrój poprzeczny | 152,8 x 122,9 |
| Przyłącza | 4 otwory, romb (4xM6 x Φ30) |
- Kierunek obrotów określa się patrząc na pompę od strony czopa wału. Kierunek prawoskrętny – zgodny z kierunkiem obrotu wskazówek zegara, kierunek lewoskrętny – przeciwny do kierunku obrotu wskazówek zegara. Uruchomienie pompy przy niewłaściwym kierunku obrotów może spowodować jej uszkodzenie.
- Pompa nie jest przystosowana do pracy przy zastosowaniu emulsji olejowo-wodnych (HFA, HFB, HFC) i syntetycznych cieczy hydraulicznych niebędących olejami (HFD) – wg V Raportu Europejskiej Komisji Bezpieczeństwa Górniczego.
Uwaga: Podane powyżej parametry techniczno-ruchowe produktu mają charakter informacyjny. Właściciel i administrator sklepu internetowego hydromech.eu nie ponoszą odpowiedzialności za ich zgodność z parametrami produktu dostarczanego przez producenta. Dane źródłowe zostały zamieszczone w broszurze producenta, którą można pobrać z zakładki "Do pobrania" (poniżej).
Marka
Podmiot odpowiedzialny za ten produkt na terenie UE
Salami SpaWięcej
ProducentSalami SpaAdres:
Via Emilia Ovest 1006Kod pocztowy: 41-123Miasto: MODENA (MO)Kraj: Włochy
Podmiot odpowiedzialnySalami SpaAdres:
Via Emilia Ovest 1006Kod pocztowy: 41-123Miasto: MODENA (MO)Kraj: Włochy
Symbol
613011072
Kod producenta
prawoskrętna613011072
Zapytaj o produkt
Napisz swoją opinię







