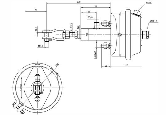
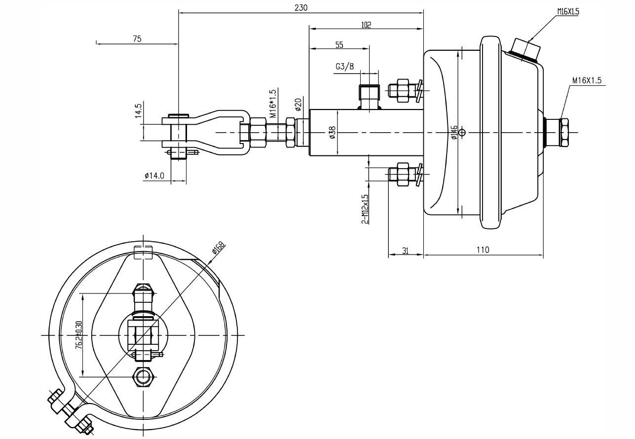
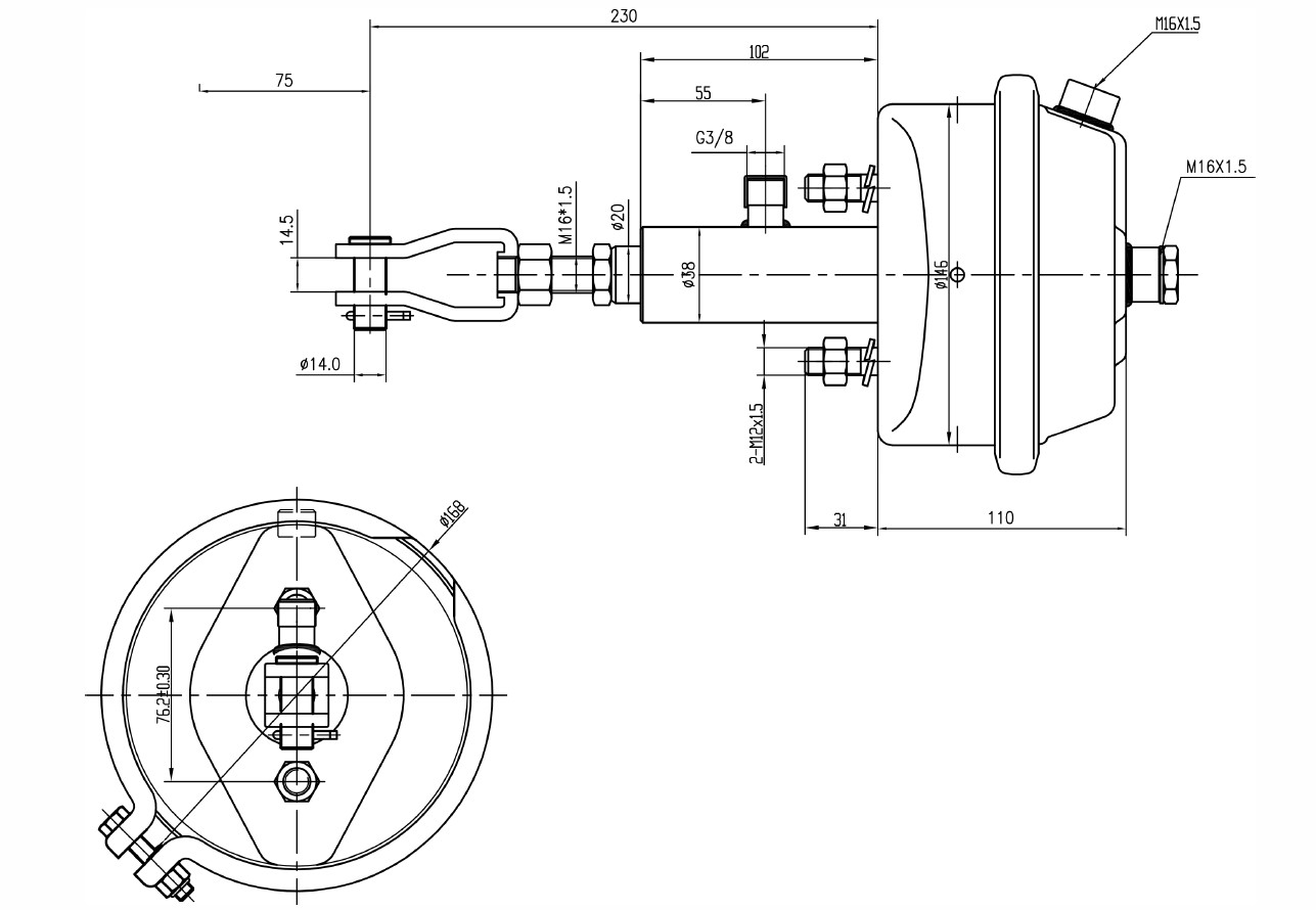
- Siłownik hamulcowy do przyczep hydrauliczno pneumatyczny T16-20
Produkty subskrypcyjne w twoim koszyku
Ustaw jedną częstotliwość dostaw dla wszystkich produktów subskrypcyjnych z twojego koszyka co:
Produkty subskrypcyjne w twoim koszyku

Siłownik hamulcowy do przyczep hydrauliczno pneumatyczny T16-20

Przeznaczony do pneumatycznego oraz hydraulicznego sterowania/hamowania bez zewnętrznej amortyzacji sprężynowej.
Zastosowanie do produkcji przyczep rolniczych, budowlanych, sadowniczych, ciężarowych, ale i w pojazdach specjalistycznych.
Znajduję szerokie zastosowanie w maszynach i urządzeniach zasilanych pneumatycznie lub hydraulicznie
Zaletą siłownika jest krótki czas reakcji przy uderzeniu oraz gotowość do natychmiastowego użycia.
|
Dane techniczne: Przyłącze przewodu pneumatycznego: 2x M16x1,5 Przyłącze przewodu hydraulicznego: BSP 3/8" Maks. ciśnienie robocze: 250 bar Ciśnienie znamionowe: 200 bar Maksymalny zasięg widełek: 305mm Średnica bolca na widełkach: 14mm Zabezpieczenie powierzchni: ocynk Skok tłoczyska: 75mm Waga: 4kg |
![]() |














