Przystawka odbioru mocy PTO P832658111P SCANIA
tel882 115 782
emailhydraulika@hewea.com
- Przystawka odbioru mocy do skrzyni Scania PTO:
- Pasuje do skrzyń: GR 900; GR 900 R; GRH 900
Produkty subskrypcyjne w twoim koszyku
Ustaw jedną częstotliwość dostaw dla wszystkich produktów subskrypcyjnych z twojego koszyka co:
Produkty subskrypcyjne w twoim koszyku
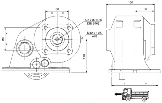
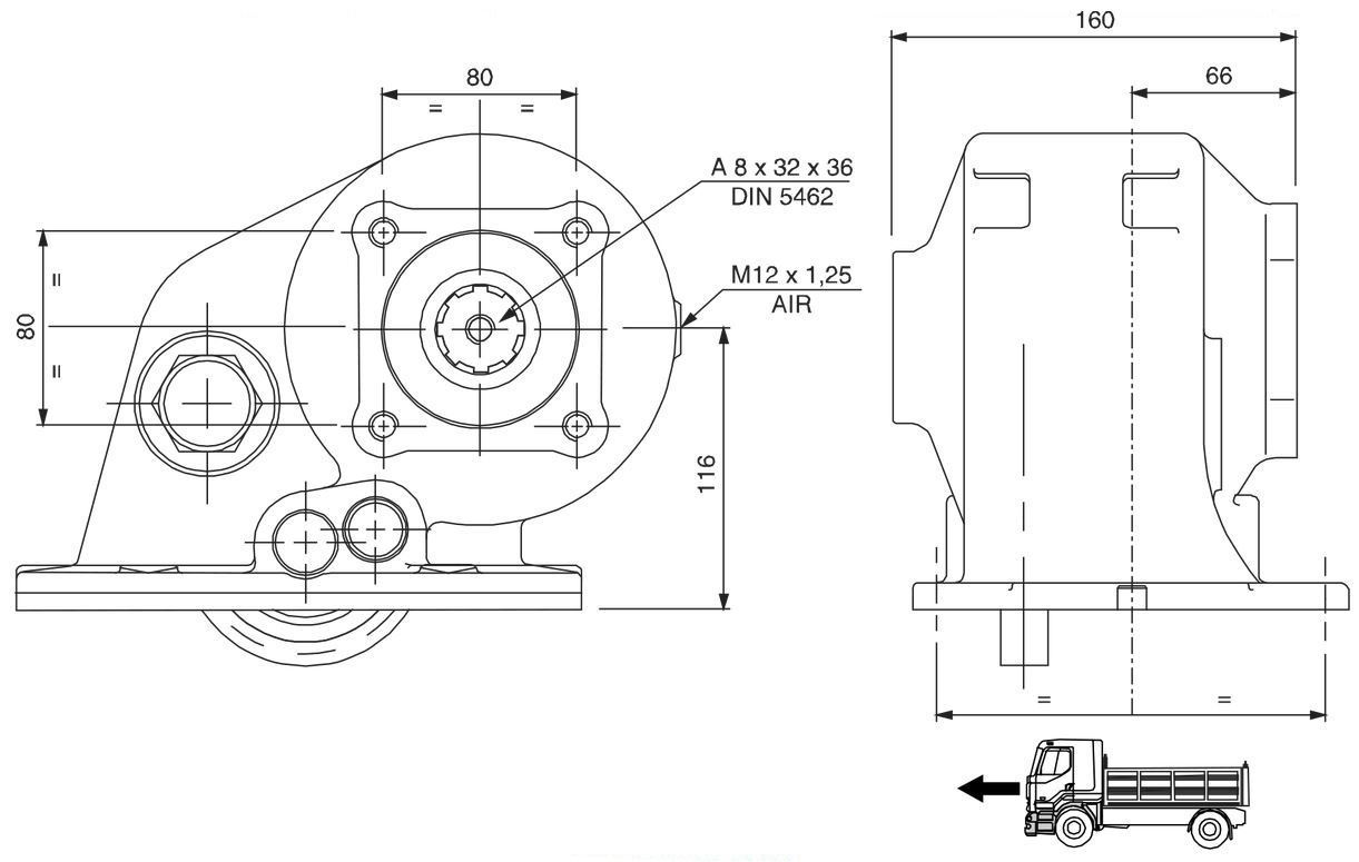
Przystawka Odbioru Mocy P832658111P (PTO) - Zadaniem przystawki Odbioru Mocy (Power Take Off) jest umożliwienie przeniesienia napędu ze skrzyni biegów na urządzenie odbiorcze np.: pompę hydrauliczną, kompresor, itp.
Do przystawki należy dobrać zestaw montażowy.
Możliwe jest również dobranie pompy.
Przystawka do skrzyni biegów Scania:
DANE
Przystawka pasuje do skrzyń: GR 900; GR 900 R; GRH 900
Uwaga: Podane powyżej parametry techniczno-ruchowe produktu mają wyłącznie charakter informacyjny. Właściciel i administrator sklepu internetowego hydromech.eu nie ponoszą odpowiedzialności za ich zgodność z parametrami produktu dostarczanego przez producenta.
Marka
Podmiot odpowiedzialny za ten produkt na terenie UE
INTERPUMP HYDRAULICS S.p.A.Więcej
ProducentINTERPUMP HYDRAULICS S.p.A.Adres:
VIA A MINGOZI 6Kod pocztowy: 40-012Miasto: CALDERARA DI RENOKraj: Włochy
Podmiot odpowiedzialnyINTERPUMP HYDRAULICS S.p.A.Adres:
VIA A MINGOZI 6Kod pocztowy: 40-012Miasto: CALDERARA DI RENOKraj: Włochy
Symbol
P832658111P
Kod producenta
P832658111P
Zapytaj o produkt
Napisz swoją opinię







