- Przystawka odbioru mocy do skrzyni ZF PTO:
- Pasuje do skrzyń: 5-42 ; 5-42 (EUROPA) ; 5-42 (U.S.A.) ; 5-47 (U.S.A.) ; 5-47 (U.S.A.) ; S5-580 ; 5 S 640
Produkty subskrypcyjne w twoim koszyku
Ustaw jedną częstotliwość dostaw dla wszystkich produktów subskrypcyjnych z twojego koszyka co:
Produkty subskrypcyjne w twoim koszyku
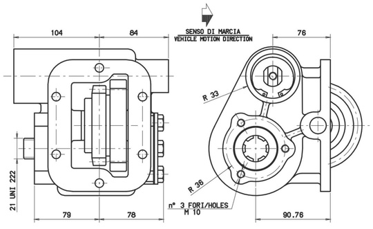
Przystawka Odbioru Mocy P2241P10201 (PTO) - Zadaniem przystawki Odbioru Mocy (Power Take Off) jest umożliwienie przeniesienia napędu ze skrzyni biegów na urządzenie odbiorcze np.: pompę hydrauliczną, kompresor, itp.
Do przystawki należy dobrać zestaw montażowy.
Możliwe jest również dobranie pompy.
Przystawka do skrzyni biegów ZF:
DANE
Przystawka pasuje do skrzyń: 5-42 ; 5-42 (EUROPA) ; 5-42 (U.S.A.) ; 5-47 (U.S.A.) ; 5-47 (U.S.A.) ; S5-580 ; 5 S 640
Uwaga: Podane powyżej parametry techniczno-ruchowe produktu mają wyłącznie charakter informacyjny. Właściciel i administrator sklepu internetowego hydromech.eu nie ponoszą odpowiedzialności za ich zgodność z parametrami produktu dostarczanego przez producenta. Dane źródłowe zostały zamieszczone w broszurze producenta, którą można pobrać z zakładki "Do pobrania" (poniżej).







