- Rozdzielacz hydrauliczny monoblokowy przeznaczony do pracy w maszynach rolniczych i budowlanych
Produkty subskrypcyjne w twoim koszyku
Ustaw jedną częstotliwość dostaw dla wszystkich produktów subskrypcyjnych z twojego koszyka co:
Produkty subskrypcyjne w twoim koszyku
Rozdzielacz hydrauliczny monoblokowy Salami, typ VDM6, 2-sekcyjny. Rozdzielacz hydrauliczny monoblokowy przeznaczony do pracy w maszynach rolniczych i budowlanych
Rozdzielacz hydrauliczny Salami VDM6, 2-sekcyjny
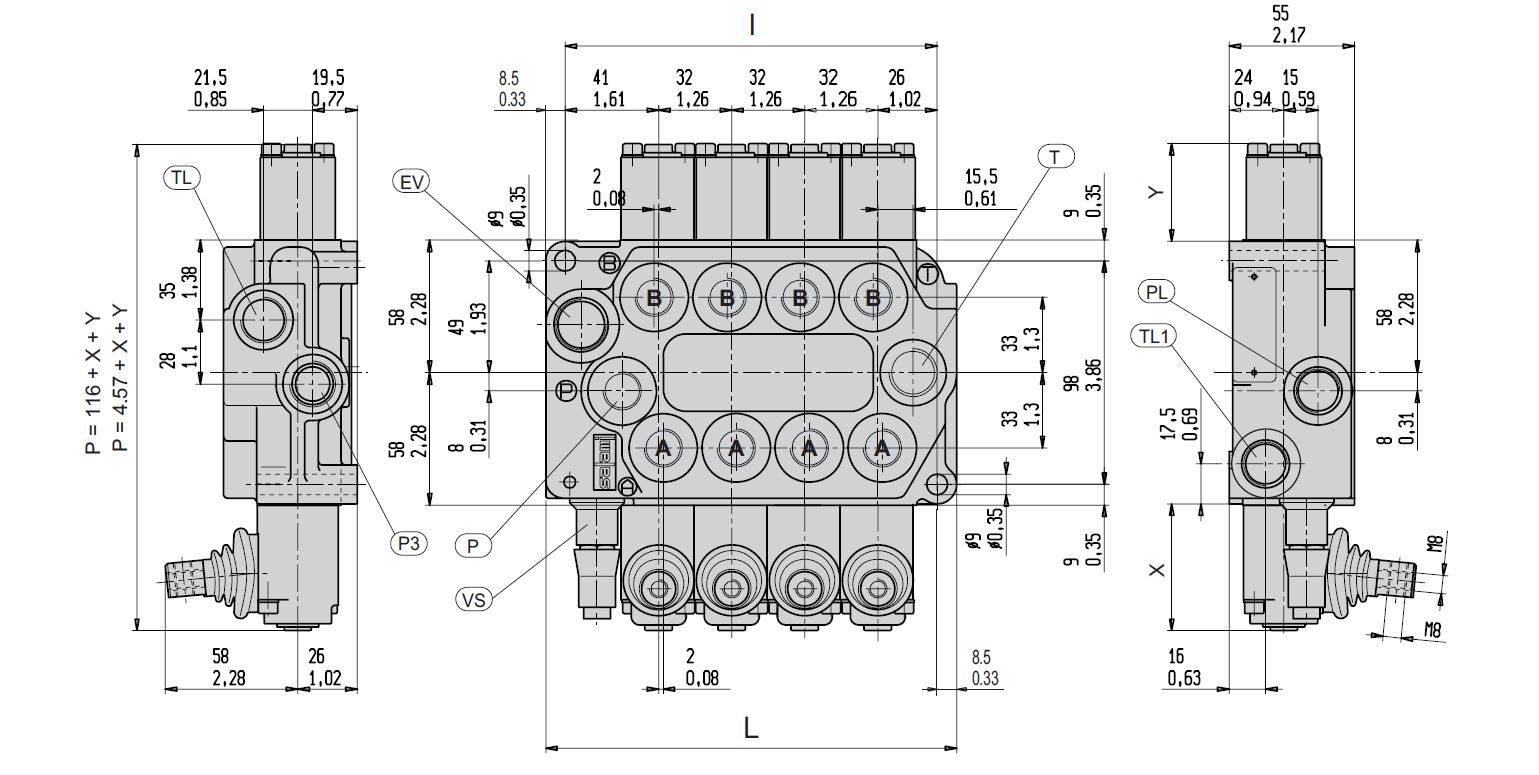
Dostępne w naszej ofercie rozdzielacze hydrauliczne SALAMI VDM6 to 2-sekcyjna konstrukcja monoblokowa przeznaczona do zastosowań w profesjonalnych układach hydrauliki siłowej. Służy do sterowania kierunkiem przepływu cieczy o maksymalnej prędkości 60 l/min i ciśnieniu roboczym rzędu 350 barów. Ich masa własna wynosi 4,5 kg, natomiast rozstaw sekcji jest równy 32 mm.
Oferowane przez nas produkty charakteryzują się wysoką odpornością na ciężkie warunki eksploatacyjne. Wydajne rozwiązania są wyposażone w sterowanie manualne z możliwością skonfigurowania ich w dowolnej opcji – zgodnie z wytycznymi Klienta. Jeżeli szukasz solidnych i tanich rozdzielaczy hydraulicznych z dwiema sekcjami – skorzystaj z asortymentu naszego sklepu.
DANE PODSTAWOWE
| Liczba sekcji |
2 |
| Maksymalne ciśnienie | 350 bar |
| Maksymalny przepływ | 60 l/min |
| Rozstaw sekcji | 32 mm |
| Masa własna | 4,5 kg |
| Typowe zastosowanie | hydraulika siłowa |
| Kraj pochodzenia |
Włochy |
| Strona internetowa producenta | www.salami.it |

Istnieje możliwość skonfigurowania wszystkich rozdzielaczy według indywidualnych wymogów klienta.
W podstawowej wersji rozdzielacze wyposażone są w:
- sterowanie manualne
- w pozycji 0 suwaki centralnie zamknięte
- sekcję wejściową z zaworem przelewowym.
Uwaga: Podane powyżej parametry techniczno-ruchowe produktu mają charakter informacyjny. Właściciel i administrator sklepu internetowego hydromech.eu nie ponoszą odpowiedzialności za ich zgodność z parametrami produktu dostarczanego przez producenta. Dane źródłowe zostały zamieszczone w broszurze producenta, którą można pobrać z zakładki "Do pobrania" (poniżej).







