- Rozdzielacz hydrauliczny monoblokowy przeznaczony do pracy w maszynach rolniczych i budowlanych
Produkty subskrypcyjne w twoim koszyku
Ustaw jedną częstotliwość dostaw dla wszystkich produktów subskrypcyjnych z twojego koszyka co:
Produkty subskrypcyjne w twoim koszyku
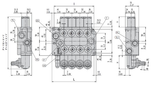
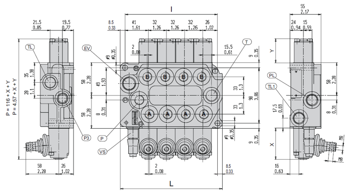
Rozdzielacz hydrauliczny monoblokowy Salami, typ VDM6, 6-sekcyjny. Rozdzielacz hydrauliczny monoblokowy przeznaczony do pracy w maszynach rolniczych i budowlanych.
Rozdzielacz hydrauliczny Salami VDM6, 6-sekcyjny
Prowadzimy sprzedaż profesjonalnych rozdzielaczy hydraulicznych 6-sekcyjnych SALAMI VDM6, które są przeznaczone do pracy w układach ciśnieniowych zamiatarek, HDS-ów i ciągników, a także wielu innych maszyn rolniczych, przemysłowych oraz budowlanych. Charakteryzują się wysoką odpornością na czynniki zewnętrzne oraz takimi właściwościami jak:
• sterowanie przepływem o maksymalnej wartości 60 l/min,
• pracą pod wysokim ciśnieniem rzędu 350 barów,
• rozstawem sekcji równym 32 mm,
• masą własną 9,9 kg.
DANE PODSTAWOWE
| Liczba sekcji |
6 |
| Maksymalne ciśnienie | 350 bar |
| Maksymalny przepływ | 60 l/min |
| Rozstaw sekcji | 32 mm |
| Masa własna |
9,9 kg |
| Typowe zastosowanie | hydraulika siłowa |
| Kraj pochodzenia |
Włochy |
| Strona internetowa producenta | www.salami.it |

Istnieje możliwość skonfigurowania wszystkich rozdzielaczy według indywidualnych wymogów klienta.
W podstawowej wersji rozdzielacze wyposażone są w:
- sterowanie manualne
- w pozycji 0 suwaki centralnie zamknięte
- sekcję wejściową z zaworem przelewowym.
Uwaga: Podane powyżej parametry techniczno-ruchowe produktu mają charakter informacyjny. Właściciel i administrator sklepu internetowego hydromech.eu nie ponoszą odpowiedzialności za ich zgodność z parametrami produktu dostarczanego przez producenta. Dane źródłowe zostały zamieszczone w broszurze producenta, którą można pobrać z zakładki "Do pobrania" (poniżej).







