- Zestaw pompy zębatej z multiplikatorem ma szerokie zastosowanie w licznych maszynach rolniczych, budowlanych leśnych czy sadowniczych.
Produkty subskrypcyjne w twoim koszyku
Ustaw jedną częstotliwość dostaw dla wszystkich produktów subskrypcyjnych z twojego koszyka co:
Produkty subskrypcyjne w twoim koszyku
Pompa zębata drugiej grupy z multiplikatorem męskim 1 : 3.8 -ZESTAW
Zestaw zawiera:
- Pompę zębatą marki PRESKO o wydatku 32cm3/obr.
- Multiplikator marki PRESKO 1:3.8
- Sprzęgło łączące
- Śruby łączące

Funkcjonalność:
Zestaw pompy zębatej z multiplikatorem ma szerokie zastosowanie w licznych maszynach rolniczych, budowlanych leśnych czy sadowniczych. Używany jest zwykle tam, gdzie fabryczna pompa maszyny z układem hydraulicznym nie generuje odpowiednio dużo mocy lub gdy do maszyny musimy podłączyć dodatkowy układ hydrauliczny w celu zwiększenia jego funkcjonalności. Dzięki solidnemu multiplikatorowi jesteśmy w stanie zwiększyć obroty na wałku odbioru mocy co gwarantuje stabilną i wydajną pracę podłączonego układu.
W SKŁAD ZESTAWU WCHODZI:
![]() |
Multiplikator PRESKOPrzekładnia zwiększająca obroty WOM, przełożenie 1:3,8, wałek wejściowy 1 3/8”. Służy do zwiększenia prędkości obrotowej wału napędzającego pompę zewnętrznego układu hydraulicznego. Budowa i parametry przekładni zwiększającej poziom obrotów czynią ją elementem właściwym do montażu w niewielkich i średnich maszynach rolniczych, leśnych oraz budowlanych, wyposażonych w wałek WOM. Niewątpliwą zaletą urządzenia jest niewielki rozmiar przekładni, dzięki czemu może ona zostać zamontowana także w trudno dostępnych miejscach w obudowach maszyn i ciągników. Przekładnia zwiękasza obroty w stosunku do 1:3,8.
|
![]() |
Pompa hydrauliczna grupy 2 marki PRESKOSolidna pompa zębata charakteryzująca się wysoką jakością materiałów, z których została wykonana. Specyfikacja techniczna:
|
Wydajność zestawu w litrach na minutę - w oparciu o obroty na wałku odbioru mocy
- 220 obrotów na minutę na wałku odbioru mocy = 26,7l/min.
- 320 obrotów na minutę na wałku odbioru mocy = 38,9l/min.
- 430 obrotów na minutę na wałku odbioru mocy = 52,2l/min.
- 540 obrotów na minutę na wałku odbioru mocy = 65,6l/min.
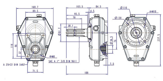
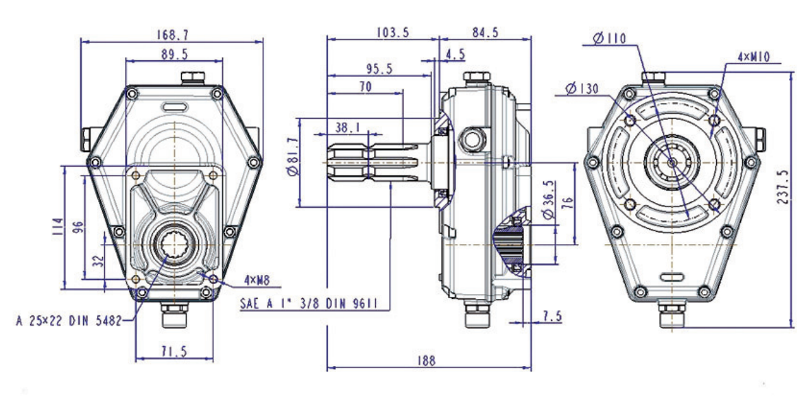
RYSUNEK TECHNICZNY

Uwaga: Podane powyżej parametry techniczno-ruchowe produktu mają wyłącznie charakter informacyjny. Właściciel i administrator sklepu internetowego hydromech.eu nie ponoszą odpowiedzialności za ich zgodność z parametrami produktu dostarczanego przez producenta. Dane źródłowe zostały zamieszczone w broszurze producenta, którą można pobrać z zakładki "Do pobrania" (poniżej).
















