- Silnik hydrauliczny BM7 500cm3 - zamiennik BMV SMV OMV
Produkty subskrypcyjne w twoim koszyku
Ustaw jedną częstotliwość dostaw dla wszystkich produktów subskrypcyjnych z twojego koszyka co:
Produkty subskrypcyjne w twoim koszyku

Silnik hydrauliczny BM7 500cm3 - zamiennik BMV SMV OMV

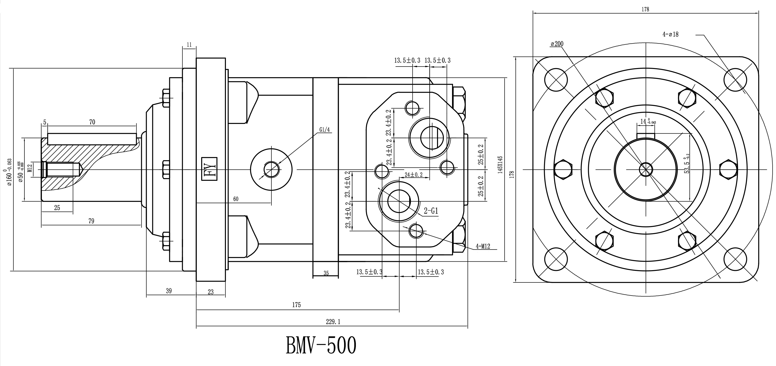
![]() | Dane Podstawowe - Specyfikacja Techniczna
|
![]() | Silnik hydrauliczny BM7-500 należy do grupy silników gerotorowych o wzmocnionej konstrukcji, bazującej na systemie GEROLOR. Kluczowe Elementy i Korzyści z GEROLOR:
|
![]() | ZastosowanieSilnik BM7-500 dzięki swojej mocy i wytrzymałości jest dedykowany do pracy w układach hydraulicznych o bardzo dużym zapotrzebowaniu na moment obrotowy i moc. Posiada szerokie zastosowanie w:
|
![]() | Niezawodna jakość
|
![]() | Montaż i KonfiguracjaWskazówki Montażowe
|




















