Pojedynczy zawór przelotowy
emailagro@hewea.com
tel882 037 352
- Pojedynczy zawór przelotowy
Produkty subskrypcyjne w twoim koszyku
Ustaw jedną częstotliwość dostaw dla wszystkich produktów subskrypcyjnych z twojego koszyka co:
Produkty subskrypcyjne w twoim koszyku
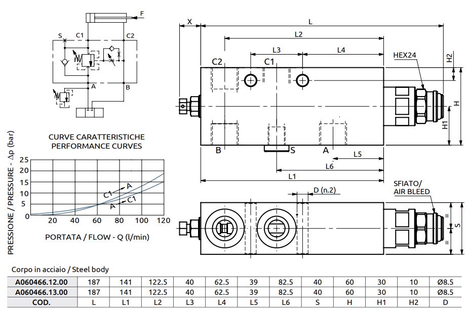
Zawór HBS
Pojedynczy zawór przelotowy, sugerowany do użytku z zamkniętymi środkowymi suwakami w neutralnej pozycji. Zawór umożliwia swobodny przepływ z A do C1, utrzymanie pozycji obciążenia z suwakiem w pozycji neutralnej lub gdy pompa nie pracuje.
A060466.12.00 A060466.13.00
Zapytaj o produkt
Napisz swoją opinię


