Hydraulikzylinder PNEUMATISCHE ANHÄNGERBREMSE D100
- Hydraulikzylinder PNEUMATISCHE ANHÄNGERBREMSE D100
 
Abonnementprodukte in Ihrem Einkaufswagen
Legen Sie einen Lieferrhythmus für alle Abonnementprodukte in Ihrem Einkaufswagen fest:
Abonnementprodukte in Ihrem Einkaufswagen
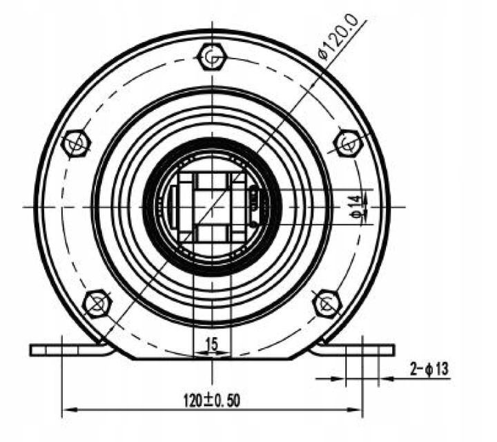
Hydraulikzylinder pneumatische Anhängerbremse D100
Hydraulikzylinder anhängerbremse pneumatisch Typ D100 mit fi von 120. Sie ist für die pneumatische Steuerung oder Abbremsung eines Anhängers ohne externe Federdämpfung konzipiert. Die gebräuchlichste pneumatische Anhängerbremse hydraulikzylinder wird für Maschinen und Fahrzeuge verwendet, wie z.B.
- landwirtschaftliche Anhänger,
 - Bauanhänger,
 - Obstbauanhänger,
 - LKW-Anhänger,
 - Anhänger an Spezialfahrzeugen,
 - Maschinen und Geräten mit pneumatischer Kraft
 
Man kann sie in Lastkraftwagen verwenden, z.B. Jelcz oder Skoda, aber auch in Spritzen, Güllewagen, vielen Arten von Anhängern oder in Gülle- oder Düngerstreuern. Sie können sie in der Landwirtschaft, in der Forstwirtschaft, im Gartenbau oder in der Bauindustrie im Allgemeinen einsetzen
Der Hauptvorteil des hydraulikzylinder pneumatischen Anhängers D100 ist seine kurze Reaktionszeit bei einem Aufprall. Sie können ihn ohne zusätzliche Vorbereitungen sofort für den vorgesehenen Zweck einsetzen
Erwähnenswert ist auch, dass hydraulikzylinder pneumatic die Eigenschaft hat, dass er während seines Betriebs die Energie der Druckluft in Kraft oder Drehmoment umwandelt
 













