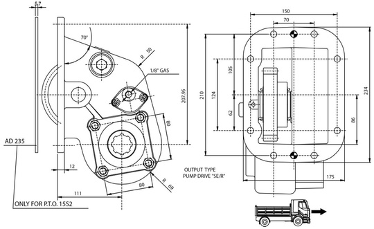
Nebenantrieb ZAPFWELLE P15S2P11294 SCANIA
- Nebenantrieb für Scania Zapfwelle : Passend für Kasten: GR 900; GR 900 R; GRH 900
Abonnementprodukte in Ihrem Einkaufswagen
Legen Sie einen Lieferrhythmus für alle Abonnementprodukte in Ihrem Einkaufswagen fest:
Abonnementprodukte in Ihrem Einkaufswagen
Nebenantrieb P15S2P11294 (PTO) - Der Zweck von nebenantrieb (Power Take Off) ist es, die Kraftübertragung vom Getriebe zu einem Empfänger zu ermöglichen, z.B.: Hydraulikpumpe, Kompressor, etc.
Für nebenantrieb muss ein Montagesatz ausgewählt werden.
Es ist auch möglich, eine Pumpe zu wählen.
Nebenantrieb für Scania-Getriebe:
DATEN
Nebenantrieb passend für die Gehäuse: GR 900; GR 900 R; GRH 900
Hinweis: Die technischen und betrieblichen Parameter des Produkts, die oben angegeben sind, sind nur zu Informationszwecken. Der Eigentümer und der Verwalter des Online-Shops hydromech.eu sind nicht verantwortlich für die Übereinstimmung mit den vom Hersteller gelieferten Parametern des Produkts. Die Ausgangsdaten sind in der Broschüre des Herstellers enthalten, die unter der Registerkarte "Downloads" (unten) heruntergeladen werden kann.




